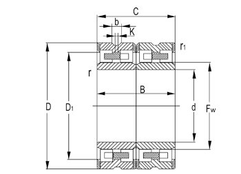
Four Row Cylindrical
| Designations | Principal dimensions(mm) | Other dimensions(mm) | Basic load ratings(kN) | Weight(kg) | |||||||||
| d | D | B | C | rmin | r1min | Fw | D1 min | b max | k max | dyc(Cr) | stc(Cor) | ||
| FC3045120 | 150 | 225 | 120 | 120 | 2 | 2 | 169 | 200 | 9 | 4 | 645 | 1450 | 16.7 |
| 672730 | 150 | 230 | 156 | 156 | 2 | 2 | 174 | 204 | 9.5 | 5 | 730 | 1790 | 23.6 |
| FC3246130 | 160 | 230 | 130 | 130 | 1.5 | 1.5 | 180 | 210 | 665 | 1705 | 16.9 | ||
| 672832Y | 160 | 230 | 168 | 168 | 2.1 | 2.1 | 180 | 206.6 | 670 | 2170 | 22.1 | ||
| 672732KU | 160 | 240 | 124 | 124 | 2.1 | 2.1 | 183 | 216 | 9 | 4 | 685 | 1530 | 20.3 |
| FC3248124 | 160 | 240 | 124 | 124 | 2.1 | 2.1 | 183 | 216 | 9 | 4 | 685 | 1530 | 20.3 |
| FC3248168 | 160 | 240 | 168 | 168 | 2.1 | 2.1 | 183 | 216 | 10 | 5 | 965 | 2350 | 26.3 |
| FCD3446160 | 170 | 230 | 160 | 160 | 2 | 2 | 185.5 | 211.5 | 7.5 | 3 | 1100 | 2360 | 20.0 |
| 672734 | 170 | 250 | 170 | 170 | 2.1 | 2.1 | 192 | 225 | 12 | 6 | 995 | 2500 | 28.5 |
| FC3450170Q1/HG2YA4 | 170 | 250 | 170 | 170 | 2.1 | 2.1 | 192 | 225 | 9.5 | 5 | 1020 | 2590 | 28.9 |
| FC3452120 | 170 | 260 | 120 | 120 | 2.1 | 2.1 | 195 | 225 | 9.5 | 5 | 660 | 1790 | 24.6 |
| FC3652124 | 180 | 260 | 124 | 124 | 2.1 | 2.1 | 202 | 234.8 | 9.5 | 5 | 735 | 1730 | 21.7 |
| FC3652168 | 180 | 260 | 168 | 168 | 2.1 | 2.1 | 202 | 234.8 | 12 | 6 | 1070 | 2790 | 30.2 |
| FC3652168/YA3 | 180 | 260 | 168 | 168 | 2.1 | 2.1 | 202 | 234.8 | 12 | 6 | 1070 | 2790 | 30.1 |
| FC3652168Q1/HG2YA4 | 180 | 260 | 168 | 168 | 2.1 | 2.1 | 202 | 234.8 | 9.5 | 5 | 1390 | 2790 | 30.6 |
| FC3652180 | 180 | 260 | 180 | 180 | 2.1 | 2.1 | 202 | 234.8 | 12 | 6 | 1140 | 3000 | 31.5 |
| 672838 | 190 | 260 | 168 | 168 | 2.1 | 2.1 | 212 | 238.6 | 9.5 | 5 | 880 | 2570 | 22.6 |
| FC3854168 | 190 | 270 | 168 | 168 | 2.1 | 2.1 | 212 | 245.2 | 9.5 | 5 | 950 | 2430 | 30.2 |
| FC3854168/YA3 | 190 | 270 | 168 | 168 | 2.1 | 2.1 | 212 | 245.2 | 9.5 | 5 | 950 | 2430 | 29.9 |
| FC3854168Q1/HG2C9YA4 | 190 | 270 | 168 | 168 | 2.1 | 2.1 | 212 | 245.2 | 9.5 | 5 | 1045 | 2430 | 30.8 |
| FC3854170/YA3 | 190 | 270 | 170 | 170 | 2.1 | 2.1 | 212 | 245.5 | 9.5 | 5 | 950 | 2430 | 30.2 |
| 672738 | 190 | 270 | 200 | 200 | 2.1 | 2.1 | 212 | 245.2 | 15 | 7 | 1170 | 3180 | 35.0 |
| FC4054170Q1/YA3 | 200 | 270 | 170 | 170 | 2.1 | 2.1 | 222 | 246.5 | 9.5 | 5 | 785 | 2270 | 28.7 |
| FC4054170Q1/HG2C4Y | 200 | 270 | 170 | 170 | 2.1 | 2.1 | 222 | 246.5 | 785 | 2270 | 28.7 | ||
| FC4056188 | 200 | 280 | 188 | 188 | 2.1 | 2.1 | 222 | 255 | 9.5 | 5 | 985 | 2580 | 35.7 |
| FC4058192 | 200 | 290 | 192 | 192 | 2.1 | 2.1 | 226 | 262 | 15 | 6 | 1240 | 3250 | 40.9 |
| 672742 | 210 | 300 | 210 | 210 | 2.1 | 2.1 | 234 | 271 | 9.5 | 5 | 1420 | 3950 | 48.3 |
| 672742U | 210 | 300 | 210 | 210 | 2.1 | 2.1 | 234 | 271 | 9.5 | 5 | 1420 | 3950 | 48.3 |
| FC4462192/YA3 | 220 | 310 | 192 | 192 | 2.1 | 2.1 | 246 | 282.5 | 15 | 6 | 1300 | 1910 | 45.8 |
| FC4462192 | 220 | 310 | 192 | 192 | 2.1 | 2.1 | 246 | 282.5 | 15 | 6 | 1300 | 1910 | 45.8 |
| FC4462225 | 220 | 310 | 225 | 225 | 0.6 | 2.1 | 244 | 280 | 1450 | 4050 | 53.9 | ||
| 672844 | 220 | 320 | 210 | 210 | 2.1 | 2.1 | 248 | 287 | 1430 | 3800 | 56.5 | ||
| FC4468200/YB2 | 220 | 340 | 200 | 200 | 4 | 4 | 250 | 308.3 | 15 | 6 | 1630 | 3550 | 63.4 |
| FC4666206/YA3 | 230 | 330 | 206 | 206 | 2.1 | 2.1 | 260 | 296 | 9.5 | 5 | 1350 | 3800 | 56.5 |
| FC4866220/YA3 | 240 | 330 | 220 | 220 | 2.1 | 2.1 | 264 | 301 | 9.5 | 5 | 1620 | 4850 | 56.5 |
| FC4866220/YA3 | 240 | 330 | 220 | 220 | 2.1 | 2.1 | 264 | 301 | 1620 | 4850 | 56.7 | ||
| FC4868192A | 240 | 340 | 192 | 192 | 2.1 | 2.1 | 265 | 308 | 9.5 | 5 | 1310 | 3380 | 52.8 |
| FC4872220 | 240 | 360 | 200 | 200 | 2.1 | 2.1 | 272 | 318 | 12 | 6 | 1700 | 4410 | 78.0 |
| FC4872220A/C4YA3 | 240 | 360 | 220 | 220 | 2.5 | 2.5 | 272 | 320 | 1700 | 4410 | 78.0 | ||
| FC482220Q1/HG2YA4 | 240 | 360 | 220 | 220 | 2.1 | 2.1 | 272 | 320 | 9.5 | 5 | 2210 | 4410 | 78.4 |
| FC5072220/YA3 | 250 | 360 | 220 | 220 | 3 | 3 | 282 | 320 | 9.5 | 5 | 1500 | 4250 | 76.9 |
| FC5272200/YA3B2 | 260 | 360 | 200 | 200 | 3 | 3 | 288 | 328 | 9.5 | 5 | 1610 | 4650 | 63.0 |
| FC5274200 | 260 | 370 | 200 | 200 | 3 | 3 | 292 | 335.2 | 15 | 6 | 1570 | 4250 | 73.0 |
| FC5274220/YA3 | 260 | 370 | 220 | 220 | 3 | 3 | 292 | 335.5 | 9.5 | 5 | 1760 | 4900 | 79.2 |
| FC5274220 | 260 | 370 | 220 | 220 | 3 | 3 | 292 | 335.5 | 9.5 | 5 | 1760 | 4900 | 80.0 |
| FC5476230/YA3 | 270 | 380 | 230 | 230 | 3 | 3 | 298 | 346 | 9.5 | 5 | 1720 | 4800 | 80.2 |
| FC5478236 | 270 | 390 | 236 | 236 | 3 | 3 | 312 | 352 | 9.5 | 5 | 2100 | 5950 | 97.8 |
| FC5678220 | 280 | 390 | 220 | 220 | 3 | 3 | 312 | 355.5 | 12 | 6 | 1790 | 5150 | 86.5 |
| FCDP5678275 | 280 | 390 | 275 | 275 | 1.5 | 1.1 | 308 | 354.2 | 9.5 | 5 | 2200 | 6250 | 102 |
| 572856W | 280 | 410 | 300 | 300 | 4 | 4 | 313 | 367 | 2840 | 7720 | 132 | ||
| 672760 | 300 | 420 | 240 | 240 | 4 | 4 | 332 | 382 | 15 | 8 | 2200 | 6300 | 111 |
| 672760Y | 300 | 420 | 240 | 240 | 4 | 4 | 332 | 382 | 15 | 8 | 2200 | 6300 | 111 |
| FC6490240/YA3 | 320 | 450 | 240 | 240 | 4 | 4 | 355 | 412 | 12 | 6 | 2460 | 6720 | 119 |
| 972770K | 350 | 500 | 380 | 380 | 6 | 3 | 388 | 450 | 12 | 6 | 3550 | 10200 | 225.0 |
| FCD72102370 | 360 | 510 | 370 | 370 | 4 | 4 | 397 | 460 | 12 | 6 | 3850 | 11400 | 220 |
| FCDP74104380 | 370 | 520 | 380 | 380 | 1.5 | 1.5 | 409 | 474 | 12 | 6 | 3900 | 12000 | 296 |
| 672780 | 400 | 550 | 300 | 300 | 5 | 5 | 442 | 502 | 12 | 6 | 3200 | 5050 | 223 |
| FCDP88124450 | 440 | 620 | 450 | 450 | 5 | 5 | 487 | 563 | 15 | 8 | 5200 | 15800 | 452 |
| FCDP88124450/YA6 | 440 | 620 | 450 | 450 | 5 | 5 | 487 | 563 | 15 | 8 | 5200.0 | 15800 | 452 |
| FCD96130450 | 480 | 650 | 450 | 450 | 6 | 6 | 525 | 593 | 15 | 8 | 4750 | 15400 | 419 |
| FC100134450/P69 | 500 | 670 | 450 | 450 | 6 | 6 | 540 | 615 | 15 | 7 | 6100 | 20100 | 446 |
| FCD100134450/P69HCYA3 | 500 | 670 | 450 | 450 | 6 | 6 | 540 | 617 | 15 | 8 | 7850 | 23700 | 460 |
| 6727/570 | 570 | 750 | 530 | 530 | 6 | 6 | 622 | 690 | 8 | 7000 | 26600 | 625 | |
| 66721/630K | 630 | 920 | 515 | 515 | 7.5 | 7.5 | 700 | 825 | 25 | 12 | 10700 | 17160 | 1182 |
| FCDP160216700/HC | 800 | 1080 | 700 | 700 | 3 | 3 | 878 | 982 | 23.5 | 12 | 12600 | 48500 | 1850 |
| FCDP190260850/C9HCYA3 | 950 | 1300 | 850 | 850 | 7.5 | 7.5 | 1044 | 1182 | 30 | 14 | 23000 | 85000 | 3390 |
| 6727/950 | 950 | 1300 | 850 | 850 | 10 | 10 | 1044 | 1182 | 30 | 16 | 21500 | 80500 | 3390 |
| E6727//950K | 950 | 1300 | 850 | 850 | 10 | 10 | 1044 | 1186.8 | 32 | 12 | 17900 | 6400 | 3360 |

